Tilrettelegging i bygningen
Med til planlegging hører også god forberedelse av montasjen. For å sikre at rulletrapper og rullende fortau kan monteres problemløst er det en del forutsetninger som på forhånd må være avklart.
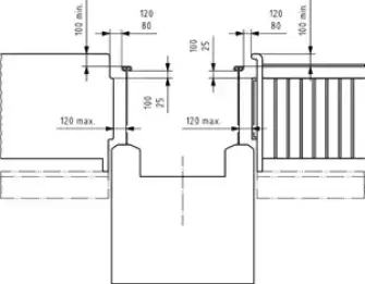
Prosjekttegning
TK Elevator utarbeider tegning for god kjenning til hvert enkelt prosjekt.
Rulletrapper Norge
